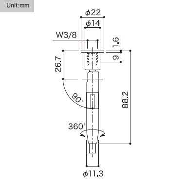
SF32+T incorporates the familiar bullet shaped Gripper body with a U-joint, permitting installations at difficult angles and also has a side exit for the cable. The SF32+T has a female thread so that it can be fastened to 3/8-16 threaded stud or hanger bolt. SF32+T can also be used in combination with the 32W bushing or the 60W rectangular plate. The 32W bushing allows a three-point screw attachment with a #8 screw. The 60W permits a four-point installation into wood ceilings, rafters and the like. Bullet w/ 3/8-16 Int. Thread, 360??_ Swivel
| Weight | 1.55 lbs |
|---|







